Skip to content

Due to high order volume, orders may not ship for 3-5 business days. Orders placed with UPS Expedited services will ship faster. Thanks for your patience!

GoWesty
Cart
  • Shop
  • Learn
  • Explore
  • Support
  • Contact
  • Account
  • Cart

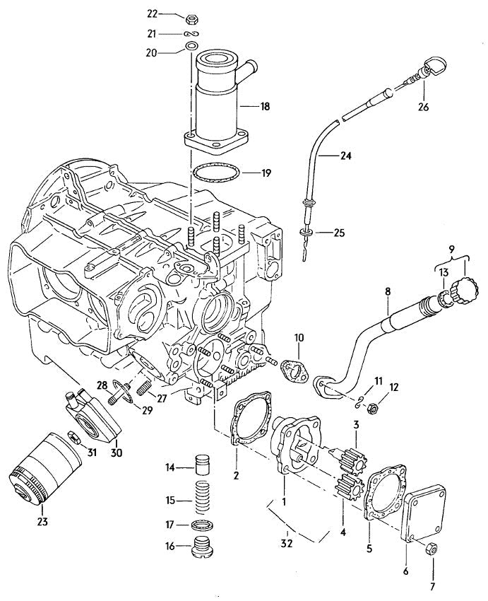
Oil Cooler, Oil Pump, and Breather Tower

Visually identify the product you need in the schematic diagram, make note of the item number, then locate that same number in the hyperlink list. Click the link to be taken to the product page. If the item you need is not in the list, we do not currently carry it.
  • 5.  Oil Pump Cover Gasket [Vanagon]
  • 6.  Super Seal Oil Pump Cover Kit (30mm High-Volume)[Vanagon]
  • 8.  Oil Filler Tube (2WD)
  • 9.  Cap for Oil Filler Tube
  • 10.  Oil Filler Tube Gasket
  • 16.  Oil Pressure Relief Plug with External Hex and Threaded Port
  • 18.  Breather Tower
  • 19.  O-Ring for Breather Tower
  • 23.  Oil Filter
  • 24.  Oil Dipstick Tube [2WD]
  • 24.  Oil Dipstick Tube [4WD]
  • 25.  O-Ring for Oil Dipstick Tube
  • 26.  Oil Dipstick
  • 29.  O-Ring for Oil Cooler [Late Vanagon]
  • 30.  Engine Oil Cooler [Late Vanagon & All Eurovan]
  • 32.  Oil Pump (30mm High-Volume) [Vanagon]
Back to schematic list

Inside GoWesty

  • Contact GoWesty
  • Mission Statement
  • Privacy Policy
  • Company History
  • Charitable Contributions
  • Environmental Responsibility
  • Made in the USA
  • International Distributors
  • Do not sell my personal information
  • Return Policy
  • Return Portal
  • File a Shipping Claim
  • Terms of Service
  • Refund policy

Be in the know!

Stay up to date about specials, new products, R&D developments, and all things Westy Life!

Follow us

  • Facebook
  • Twitter
  • Instagram
  • YouTube
  • Flickr
2025 All Rights Reserved Copyright © GoWesty.
Website by WLCR.io