Skip to content

Happy New Year folks! All orders placed over the holiday will be fulfilled within 3-5 business days. Thank you all!

GoWesty
Cart
  • Shop
  • Learn
  • Explore
  • Support
  • Contact
  • Account
  • Cart

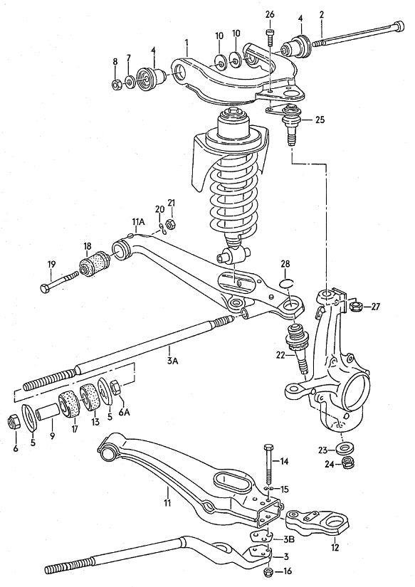
Bushings and Ball Joints [Front End - Syncro]

Visually identify the product you need in the schematic diagram, make note of the item number, then locate that same number in the hyperlink list. Click the link to be taken to the product page. If the item you need is not in the list, we do not currently carry it.
  • 3.  Radius Rod Assembly [Syncro]
  • 4.  Upper Control Arm Bushing [Vanagon]
  • 5.  Radius Rod Washer
  • 9.  Radius Rod Spacer Sleeve
  • 10.  Eccentric Washer - Upper Control Arm (Pack of 4)
  • 11.  GoWesty Lower Control Arms [Syncro]
  • 11A.  GoWesty Lower Control Arms [Syncro]
  • 12.  Lower Ball Joint Insert [Syncro]
  • 13.  Radius Rod Bushing - Rear
  • 17.  Radius Rod Bushing - Front
  • 18.  Lower Control Arm Bushing [Vanagon]
  • 18.  GoWesty Lower Control Arm Bushing Kit (For 2 Arms)
  • 22.  Lower Ball Joint (Heavy-Duty Adjustable) [Bus/Vanagon]
  • 22.  Lower Ball Joint [Vanagon]
  • 23.  Lower Ball Joint & Axle Nut Washer (Syncro)
  • 25.  Upper Ball Joint [Vanagon]
Back to schematic list

Inside GoWesty

  • Contact GoWesty
  • Mission Statement
  • Privacy Policy
  • Company History
  • Charitable Contributions
  • Environmental Responsibility
  • Made in the USA
  • International Distributors
  • Do not sell my personal information
  • Return Policy
  • Return Portal
  • File a Shipping Claim
  • Terms of Service
  • Refund policy

Be in the know!

Stay up to date about specials, new products, R&D developments, and all things Westy Life!

Follow us

  • Facebook
  • Twitter
  • Instagram
  • YouTube
  • Flickr
2026 All Rights Reserved Copyright © GoWesty.
Website by WLCR.io