Due to high order volume, orders may not ship for 3-5 business days. Orders placed with UPS Expedited services will ship faster. Thanks for your patience!
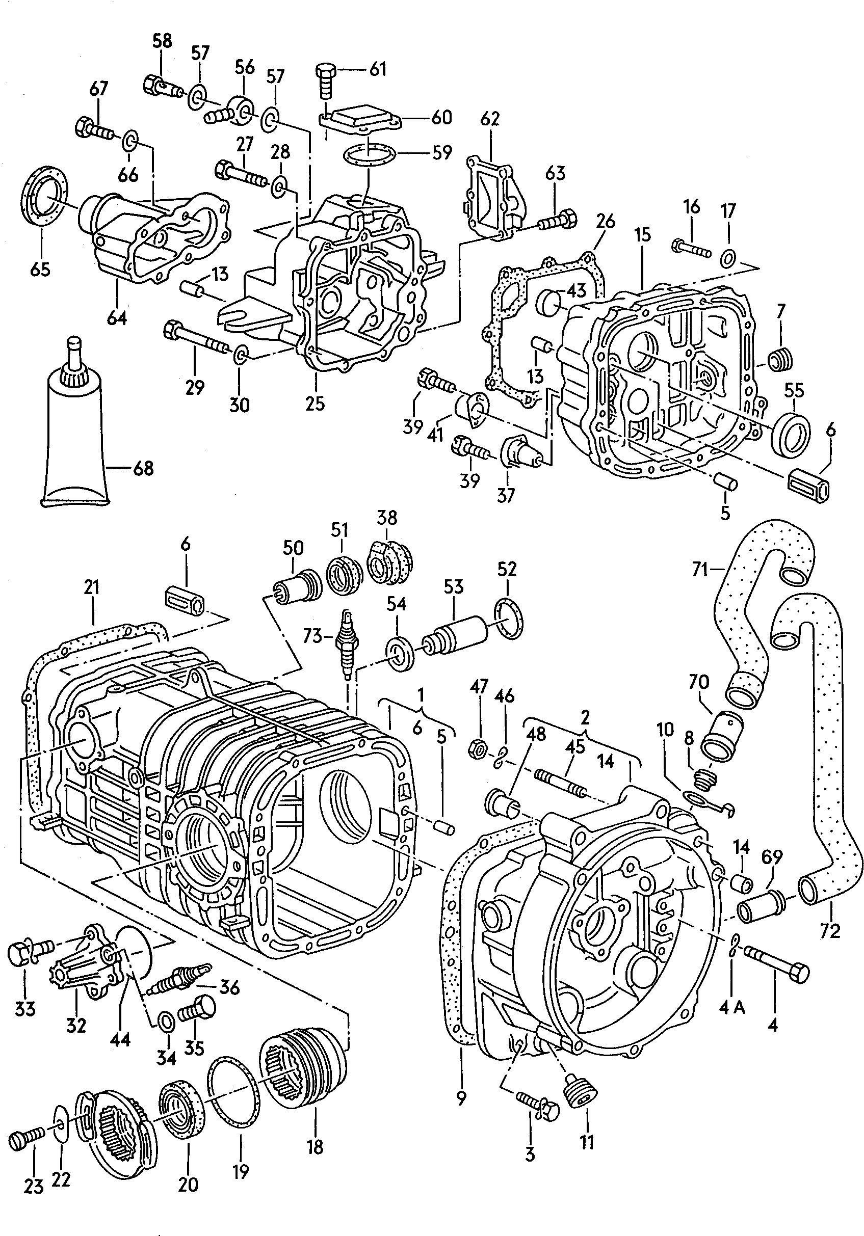
Transaxle & Front Diff Seals, Gaskets, and Small Parts [Syncro]
Visually identify the product you need in the schematic diagram, make note of the item number, then locate that same number in the hyperlink list. Click the link to be taken to the product page. If the item you need is not in the list, we do not currently carry it.