Gifting has never been easier
Perfect if you're short on time or are unable to deliver your gift yourself. Enter your message and select when to send it.
| Product: | 251-407-361 |
|---|---|
| Works With: | 1980-1991 |
| Manufacturer: | Lemforder |
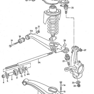
If you can see grease leaking from a torn boot or feel play, your upper ball joint has already failed. Replace it now with a high-quality German Lemforder ball joint. Sold individually. Two required per vehicle.
Doing an alignment? Need to get your suspension back to an adjustable range? Pick up a pair of our Upper Ball Joint Spacers.
Pro tip! Check out our Heavy Duty Adjustable ball joint with built-in spacer and other featured highlights!